Honda Civic Hatchback 90 Синих Кони › Бортжурнал › Эл. схема управления кондиционером, управления двигателем их взаимная связь.
Приветствую всех зашедших и читающих!Эта запись продолжение начатой Компрессор кондиционера не включается…по холодуБукв много, осилит тот кому интересно или пробует ремонт системы кондиционера, а также присутствует электрическая схема обвязки блока управления двигателем.
Как всегда приходится копаться разбираться самому, вот какую информацию нарыл и обработал.Хотел разобраться с электрической схемой работы кондиционера и его цепей управления, а также что это за датчик температуры испарителя и зачем он нужен.По данному датчику и режимам работы информации не нашел существенной, но то что он играет важную роль в конечном результате включения муфты кондиционера это точно!

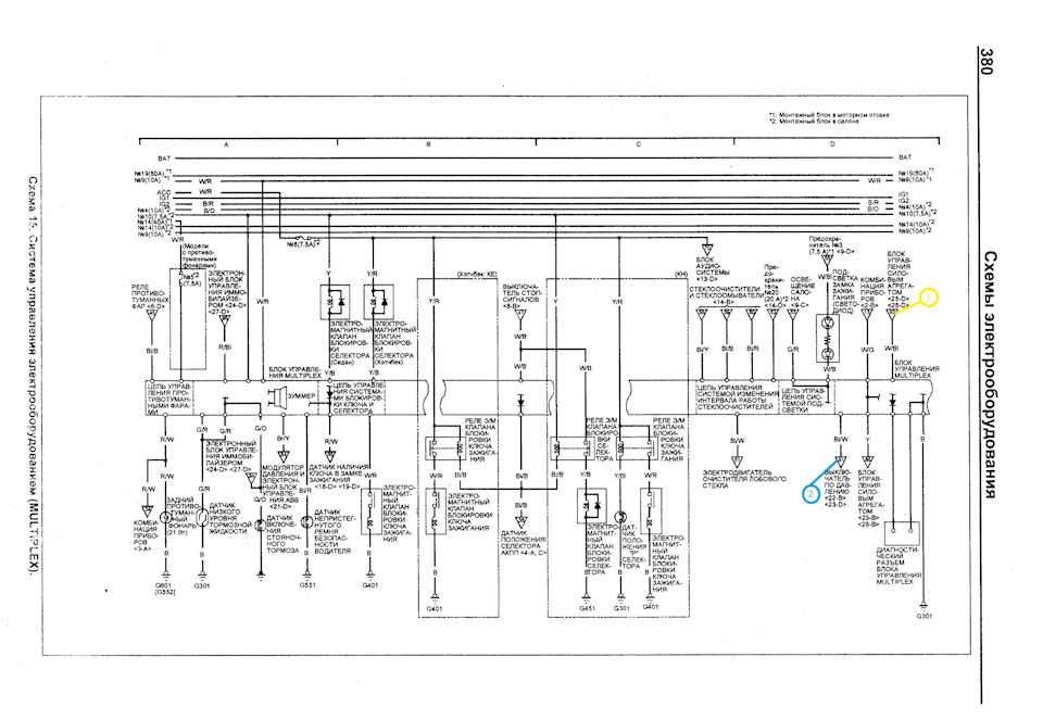
Под номером 1 (выделен красным цветом) — управляющий провод реле включения муфты кондиционера, управляюший сигнал выдает блок управления двигателем смотри сх№3-2
При включении кнопки АС напряжение (+12в) через датчик температуры (датчик температуры испарителя) и через замкнутый контакт датчика низкого давления (при наличии фреона достаточного давления) отправляетсяв блок мультиплексора (MULTIPLEX) смотри под номером 2 (выделено синим).

Под номером 2 (выделен синим) вход +12в с блока “кондиционер” смотри сх№1, также с мультиплексора смотри номер 3 (выделен желтым) отправляется в блок управления двигателем смотри сх№3-2.


И вот наступило окончание в формировании сигнала управления ( вклоткл) реле муфты кондиционера.С мультиплексора смотри номер 3 (выделен желтым) пришел сигнал в блок управления двигателем смотри сх№3-2 , блок управления увидел что в системе кондиционирования все в порядке формирует сигнал под номером 1 (выделен красным) на включение муфты кондиционера смотри сх№1 (выделен красным) и по внутренним алгоритмам поднимает ХХ примерно оборотов на 500 относительно обычного ХХ, чтобы после включения муфты (появилась нагрузка на двигатель) холостые стали как обычно 750-800 оборотов (вот отсюда повышенный расход при работе кондиционера).Влияние компрессора на работу двигателя.Компрессор забирает достаточно большую мощность у двигателя. По некоторым данным — до десяти л.с. или от от единиц до десятков процентов. Мощность двигателя расходуется на процесс сжатия и перекачки фреона по системе компрессором, на выработку генератором электроэнергии для поддержания в рабочем состоянии электромагнитной муфты компрессора и работы вентиляторов. Но есть и обратное влияние — двигателя на компрессор. Чем выше обороты двигателя, тем выше поднимется давление в секции высокого давления. Система рассчитана на подобное повышение и может среагировать кратковременным отключением муфты компрессора. При нажатии педали акселератора в пол компрессор также должен отключаться.
Это как бы все хорошо и стало понятно, как это работает и если что какие цепи проверять при устранении дефектов в системе кондиционирования, НО есть НО, вопрос при какой температуре этот датчик температуры испарителя дает запрет на включение муфты так и не нашел
В одной из статей прочитал вот это: “Очень важным датчиком является датчик температуры испарителя. Датчик температуры испарителя не допускает замерзания испарителя и в диапазоне около или чуть выше нуля (для разных систем — по-разному) отключает муфту компрессора.” — как я понял то при 0 градусов внутри салона автомобиля не включится? х.з …

ДАТЧИК ТЕМПЕРАТУРЫ ИСПАРИТЕЛЯДатчик температуры испарителя представляет собой термистор NTC (с отрицательным температурным коэффициентом), передающий в модуль ATC (автоматического управления температурой) сигнал температуры воздуха на выходе из испарителя. Датчик температуры испарителя установлен в правой стороне корпуса отопителя и входит в радиатор испарителя.Модуль ATC (автоматического управления температурой) использует входной сигнал от датчика температуры испарителя, чтобы управлять включением и выключением муфты компрессора A/C (кондиционирования воздуха) для предотвращения образования льда на испарителе.
Буду ждать тепла чтобы проверить включение муфты кондиционера, а перед этим заеду на диагностику для успокоения).psможет кто обладает дополнительной информацией, относительно почему не включается кондиционер по холоду и при какой температуре запрет, в комментах скидывайте ссылки буду читать и разбираться.
Требования
Важно помнить, что схема подключения кондиционера к электросети жилых помещений кардинально отличается от промышленного варианта, используемого для офисов и на производствах. Подключение в квартирах только однофазное
Существует несколько вариаций работ, при помощи которых можно подключить сплит-системы.
- Прямое подключение к розетке.
- Создание отдельного провода к электрическому щиту.
Первый вариант применяется для всех без исключения бытовых устройств. В эксплуатацию они входят только таким образом. Сама процедура состоит из нескольких шагов, исполнение которых обязательно. Малейшая оплошность может привести к неисправности кондиционера.
Перед непосредственным подключением сплит-системы важно протянуть кабель к наружному модулю от испарительной системы. Первым делом проложите провод, соединяющий блоки (наружный и внутренний)
Далее установите соединение с электрическим щитком (эта процедура необходима для мощных систем). Слабые устройства, а также системы средней мощности можно подключить через розетку.
Посредством розетки работают не только слабые системы, также такое подключение характерно:
- климатическим системам оконного типа;
- любым при мощной электрической сети в жилом помещении;
- временно расположенным кондиционерам.
Важно понимать, что для введения в эксплуатацию внутреннего блока необходимо заранее установить усиленные розетки, а также по возможности защитную систему. Производитель обязан вкладывать в коробку инструкцию, в которой можно найти:
- схему работы кондиционера;
- общую схему подключения;
- электросхему для соединения блоков.
Идентичная информация присутствует на поверхности уличного блока, а также на крышке испарителя. Это облегчит подключение кондиционера к электросети собственными руками в несколько раз. Клеммы для подключения находятся под декоративной панелью испарительной системы. Провода испарителя подключаются напрямую к наружному блоку согласно нумерации, которая четко прописана в инструкции. Также не стоит пренебрегать изоляцией свободных жил специальной лентой, это поможет предотвратить короткое замыкание.
Не стоит рисковать! Если схемы для вас непонятны, не полагайтесь на волю случая. Обратитесь за помощью к профессионалу, который безопасно и в короткие сроки проведет качественную установку.
Также важно обратить внимание на ряд причин, по которым подключение кондиционеров к электрической сети запрещено:
- старая проводка с использованием алюминиевой проволоки;
- некачественное сечение проводов, которые могут не выдержать нагрузки;
- отсутствие заземления и защиты от перепада напряжения;
- критическое состояние электрической проводки, наличие механических повреждений.
Схема подключения кондиционера к электросети
По мнению производителей, одним из безопасных и практичных вариантов будет использование индивидуального кабеля с целью подключить систему к электрической сети, а установка защитного устройства убережет кондиционер от перепадов напряжения и различных перезагрузок, которые в большинстве случаев приводят к сгоранию микросхем, проводов прибора. Также дополнением к безопасности идет удобство: собственная линия позволяет размещать модуль в любом удобном для вас месте.
Существуют стандартные требования, прописанные производителем:
- для безопасности подключения и использования в обязательном порядке должны присутствовать устройство защитного отключения и автомат защитного отключения;
- медная проводка;
- соответствие диаметра провода требованиям;
- наличие заземления.
Медная проводка — обязательное требование для подключения прибора
Расположение розетки для кондиционера
Нет регламентирующих документов о расположении точки подключения климатических систем к электросети. Но нужно учитывать общие правила обустройства линий. Если это делается на этапе ремонта, нужно формирование штроб – они проходят вертикально или горизонтально. Диагональное размещение запрещено. Альтернатива – установка проводки в защитных коробах поверх стены. Актуально для деревянных стен.
При выборе, где расположить точку подключения, нужно учесть:
- общий дизайн помещения;
- расположение мебели, других предметов интерьера;
- длина шнура питания от внутреннего блока.
Последний можно удлинить. Для этого снимите вилку, соедините контакты провода с другим с помощью специальной гильзы. Обязательно использовать изолирующую ленту и термоусадочный материал. Так можно правильно расположить точку соединения с электропроводкой независимо от расположения внутреннего блока кондиционера.
1 Способы подключения
У бытовых кондиционеров электрическая схема подключения отличается от более мощных промышленных агрегатов. Последние обычно подключаются к трехфазной сети, а домашние — только к однофазной. Применяются два основных метода электрического подключения кондиционера:
- прямое подключение вилки прибора в розетку;
- монтаж отдельного кабеля к электрическому щиту.
В первом случае подключение осуществляется, как и в ситуации с любым другим электрическим оборудованием. Недостатком этого способа считается излишняя нагрузка на розетку, если прибор имеет большую мощность. Кроме того, торчащие провода выглядят не очень привлекательно и портят интерьер. Такой способ подойдет мобильным и маломощным агрегатам. Второй метод более трудоемкий, но позволяет скрыть лишние провода в штробе стены и подключить более мощные приборы.
Подключение системы кондиционирования

- точку подключения соединяют непосредственно с распределительной коробкой. В этой ситуации обходятся без розетки и вилки. Но при таком способе соединения следует учитывать, что используемая электрическая проводка должна выдержать нагрузку при одновременной работе всех бытовых устройств подключённых к ней. Распределительный щиток дополнительно оборудуют системой, контролирующей автоматическое отключение в случае возникновения перегрузок;
- если устройство кондиционирования устанавливается в процессе проведения общих ремонтных работ, при монтаже наиболее часто применяют закрытую конструкцию. Оборудуется специальный канал в стене. В нём размещается кабель. Один конец соединяют с распределительным щитком, а другой закрепляют к выводу розетки. На окончательном этапе канал заделывается. При этом не портится интерьер помещения. На проводку не оказывают влияние внешние негативные факторы;
- установка розетки под кондиционер может осуществляться открытым способом. Такой метод применяется, если ремонт уже завершён и жильцы не хотят дополнительно портить стену. Один из концов проводки соединяют с распределительной коробкой. К другому концу подсоединяется розетка. Кабель находится на поверхности стенового покрытия. Его помещают в декоративный короб.
Схема холодильного контура
Ниже размещена схема холодильного контура кондиционера.
Схема взята не из учебника, а из сервисной документации производителя, поэтому и обозначения приведены на английском языке.
Compressor — компрессор, «сердце кондиционера». Компрессор сжимает хладагент и прокачивает его по контуру.
Heat exchanger — теплообменник,
- outdoor unit — внешнего блока, то есть конденсатор, охлаждает сжатый фреон ниже температуры конденсации
- indoor unit — внутреннего блока — испаритель, в нём рабочее вещество испаряется, опуская температуру
Expansion valve — расширительный вентиль
По-другому ТРВ — терморегулирующий вентиль. Обеспечивает подачу необходимого количества хладагента.
В простых кондиционерах его роль выполняет капиллярная трубка, без всякой регулировки, в инверторных системах — электронный расширительный вентиль.
2-Way valve — двухходовой вентиль, то есть обычная задвижка, с двумя положениями — открыто и закрыто
3-Way valve — трёхходовой клапан, в кондиционере это сервисный порт, к которому подключается шланг манометрического манометра для измерения давления или заправки.
4-Way valve — четырёхходовой клапан, обеспечивает реверс хладагента для работы кондиционера в режиме обогрева
Strainer — фильтр, на данной схеме это фильтр-осушитель, так как установлен перед ТРВ (и после, так как система может работать в режиме реверса и хладагент меняет направление движения).
Его задача не допустить попадание влаги в тонкий канал ТРВ — так как влага его закупорит, не давая пройти хладагенту.
Muffler — глушитель
Стрелками указано направление движения фреона по контуру:
- сплошной стрелкой — в режиме охлаждения
- пунктирной стрелкой — в режиме нагрева
Также в более сложных и совершенных кондиционерах устанавливают:
- датчики давления
- отделители жидкого хладагента
- линии перепуска
- системы инжекции (впрыска) в компрессор
- маслоотделители
Что потребуется для установки
Кроме того, существуют дифференциальные автоматы, выполняющие одновременно функции УЗО и выключателя. В случае появления сквозняка от кондиционера обычно достаточно изменить направление потока воздуха путем регулировки заслонок. На место устанавливаются крышка и панель.

Для эффективной работы климатических систем используют медные провода: для однофазного подключения — 3 жилы, для трехфазного варианта — 5 жил. Для этого потребуется: Открутить все заглушки на портах.
Основные требования к элементам индивидуальной линии: Организовать отдельный контур заземления для всей индивидуальной линии
Вакуумирование кондиционера Схема соединений для вакуумирования и заправки кондиционера Очень важно соблюдать элементарные правила пользования кондиционером Хладагент из баллона необходимо закачать в систему. На его боковой стене имеется два порта, один со штуцерами большого, а другой — маленького размера. Кроме этого, на схеме обозначен мотор вентилятора и конденсатор, через который подключены две обмотки электродвигателя
Для эффективной работы климатических систем используют медные провода: для однофазного подключения — 3 жилы, для трехфазного варианта — 5 жил

Кроме этого, на схеме обозначен мотор вентилятора и конденсатор, через который подключены две обмотки электродвигателя. Для эффективной работы климатических систем используют медные провода: для однофазного подключения — 3 жилы, для трехфазного варианта — 5 жил.

Затем собирается соединительный провод ПВС с вилкой, а второй конец подсоединяется к кондиционеру. Особенности и требования В летний зной каждый мечтает о приобретении в дом кондиционера.

Выбор выключателя основывается на наличии свободного места на электрическом щите, стоимости приборов и легкости монтажа. Самостоятельная установка кондиционера: Часть 2

Почему стоит выбрать инверторный кондиционер
Плюсы:
- более продолжительный срок службы по сравнению с моторами других типов: 8-12 лет против 6-9 лет;
- благодаря работе на малых оборотах как на внутреннем, так и на внешнем блоке, уровень шума значительно снижен по сравнению с моделями кондиционеров других типов;
- скорость вращения двигателя компрессора плавная, благодаря чему устройству проще поддерживать заданную температуру с минимальными отклонениями;
- быстрая установка заданного режима: другим моделям требуется около получаса для начала поддержания выставленной температуры; инверторные двигатели сокращают этот процесс до 15 минут.
Положительных сторон у инверторного двигателя внутреннего блока кондиционера много, однако есть и минусы, которые следует учитывать:
- длительный ремонт в случае поломки из-за частого отсутствия деталей на рынке; иногда ожидание нужной запчасти затягивается на несколько месяцев;
- при длительной эксплуатации без выключения начинается повышенное потребление электроэнергии;
- в связи со сложностью электронных устройств, используемых в начинке двигателя, он чувствителен к резким скачкам напряжения и может из-за них выйти из строя;
- кондиционеры с инверторным типом двигателя стоят дороже других систем для охлаждения и нагрева воздуха.
Подключение
Расчет значений их емкостей сравнительно прост: у рабочего 0,75 мкФ на 1 кВт мощности, у пускового — в 2,5 раза больше. Строение его немного отличается от обычного асинхронного однофазного двигателя.
Схема с рабочим, постоянно включенным конденсатором лучше работает в номинальном режиме, но имеет посредственные пусковые характеристики. Рабочее напряжение этих конденсаторов должно быть в 1,5 раза выше, чем напряжение сети, то есть, для сети В берем емкости с рабочим напряжением В и выше.
Но, несмотря на это, они имеют широкое применение в производстве бытовой техники. Эти моторы имеют меньшие значения КПД.
После сбора схемы электромагнитного пускателя следует подключить силовую часть. Строение его немного отличается от обычного асинхронного однофазного двигателя. Его мощность может составлять от пяти до десяти киловатт. Кроме наличия двух фаз, требуется чтобы одна обмотка была смещена по отношению к другой на определённый угол.
Рекомендуем: объемы и нормы испытаний электрооборудования действующие
Принцип действия коллекторного двигателя
Схема запуска: Запуск производится магнитным полем, которое вращает подвижную часть мотора. Следующий пример.
Однофазные асинхронные электродвигатели Устройство и принцип действия Мощность такого однофазного двигателя В может в зависимости от конструкции находиться в пределах от 5 Вт до 10 кВт. На какой из них разницы нет, направление вращения от этого не зависит. Посмотрите на фото наглядно видно, что сечение проводов разное. При выполнении подключения рассматриваемого устройства осуществляются соединения нескольких типов. То есть если вспомогательная обмотка однофазного двигателя пусковая, ее подключение будет происходить только на время пуска, а если вспомогательная обмотка конденсаторная, то ее подключение будет происходить через конденсатор, который остается включенным в процессе работы двигателя.
Схема подключения коллекторного электродвигателя на 220 Вольт
Эти номиналы электроэнергии имеются во всех жилых помещениях нашей страны, и вследствие этого однофазные моторы имеют огромную популярность. Нужен первоначальный толчок. К обмоткам ротора ток подводится через щетки, соприкасающиеся с пластинами коллектора, к которым подсоединяются концы обмоток ротора. Схема подключения 2 Подключение в сеть асинхронного однофазного электродвигателя.
Функция центробежного выключателя состоит в отключении пусковой фазы, когда ротор набирает номинальную скорость. Дальнейшее вращение ротора обеспечивается за счет пульсирующего магнитного поля рабочей фазы, как уже было описано в предыдущем абзаце. Двух и трёхфазные моторы Существует возможность 2 или 3-фазный мотор подключить к однофазному источнику питания.
как подключить трехфазный двигатель в однофазную сеть
Общие рекомендации

схема соединения блоков Стоит иметь в виду, что электрические схемы подключения кондиционера для маломощных бытовых и более мощных полупромышленных (коммерческих) моделей различаются. Первые имеют однофазное, а вторые как однофазное, так и трехфазное подключение.
Как правило, запитка сплит-системы проходит в несколько этапов, которые следует строго соблюдать, если пользователь планирует выполнить это самостоятельно. Итак, как подключить кондиционер своими руками без соответствующего опыта? Это сложно, но вполне осуществимо.
Вентилятор радиатора Рено Логан, схема подключения
На автомобилях Рено Логан первого поколения вентилятор радиатора системы охлаждения двигателя (k7j, k7m) может быть подключен по двум разным схемам.
Для автомобилей без кондиционера — одна схема (меньше элементов), для автомобилей с кондиционером — другая (больше элементов). Обе схеме могут пригодиться при диагностике неисправности: «не работает вентилятор радиатора Рено Логан».
Описание схемы
В систему включения вентилятора на радиаторе автомобиля Рено Логан в комплектации без кондиционера напряжение подается с плюсового вывода аккумуляторной батареи через монтажный блок предохранителей в моторном отсеке.
Электрическую цепь защищает предохранитель F02 (30A) зеленого цвета установленный в монтажном блоке в моторном отсеке. На автомобиле в комплектации с кондиционером этот предохранитель отсутствует. Там цепь защищена другим предохранителем.
Реле вентилятора К3 (20А) является основным реле включения вентилятора на радиаторе (в комплектациях с кондиционером оно идет как реле малой скорости включения вентилятора). В комплектации без кондиционера всего одна скорость вращения вентилятора.
На электродвигатель вентилятора напряжение подается напрямую с реле вентилятора (К3) в монтажном блоке под капотом автомобиля. Отсутствует дополнительный резистор на кожухе.
Датчик температуры охлаждающей жидкости (ДТОЖ), по сигналу с которого блок управления включает-выключает вентилятор на радиаторе установлен в левый торец головки блока цилиндров двигателя. Помимо определения температуры для ЭБУ он определяет температуру для указателя в комбинации приборов.
Описание схемы
В систему включения вентилятора на радиаторе автомобиля Рено Логан в комплектации с кондиционером напряжение подается с плюсового вывода аккумуляторной батареи через монтажный блок предохранителей в моторном отсеке.
Электрическую цепь защищает предохранитель F07 (40A) красного цвета установленный в монтажном блоке в моторном отсеке. На автомобиле в комплектации без кондиционера этот предохранитель отсутствует. Там цепь защищена другим предохранителем.
В цепи имеется два реле. Реле малой скорости вращения вентилятора радиатора (оно же реле включения вентилятора в комплектации б) К3 (20А) и реле большой скорости вращения вентилятора радиатора К2 (40А) — более крупное по размеру.
На кожухе вентилятора установлен дополнительный резистор, который служит для уменьшения оборотов вентилятора (малая скорость вращения). При достижении порога температуры ОЖ 95-97 градусов или при включении кондиционера блок управления подает напряжение на электровентилятор радиатора через реле малых оборотов и дополнительный резистор. Если поороговый уровень пройден, то напряжение на вентилятор подается через реле больших оборотов, минуя дополнительный резистор. Лопасти вентилятора в таком случае вращаются в два раза быстрее.
Примечания и дополнения
Вентилятор радиатора является одним из исполнительных устройств электронной системы управления двигателем (ЭСУД) автомобиля Рено Логан. Его включение/выключение происходит по сигналу с контроллера (блока управления — ЭБУ).
Цвет проводов на автомобилях разных годов (месяцев) выпуска может несколько различаться.
TWOKARBURATORS VK -Еще информация по теме в нашей группе ВКонтакте
Начинается монтаж замедлителя с установки датчика. Для этого необходимо:
- выбрать средний виток теплообменника находящего между входной и выходной трубками;
- закрепить на нем датчик;
- обработать термопастой;
- изолировать теплоизоляцией из флекса.
Такая установка защитит датчик от воздействия внешних факторов и обеспечит лучший контакт с теплообменником.































