Как подключить проходной выключатель: схемы подключения

—
Дублирующее устройство позволяет включить освещение в начале помещения, а отключить в конце. Благодаря этому значительно экономится электроэнергия. К тому же это очень удобно.
Например, если спальня имеет три кровати, то переключатели могут находиться возле каждой из них. Таких устройств в помещении можно подключить сколько угодно.
Принцип работы перекидных выключателей
Обычные перекидные устройства, которые монтируют в двух местах, внутри имеют три контакта. Один из них является общим. Он замыкается либо со вторым контактом, либо с третьим.
Данные контакты задействуют следующим образом. В одном переключателе на общую клемму подаётся фаза, в другом общая линия соединяется с лампочкой.
Две другие пары переключателей замыкаются между собой. Монтаж выполняется трёхжильным проводом. Все соединения делаются в распределительной коробке.
Перекидные выключатели из двух мест
Когда свет горит, это значит, что общие клеммы обоих выключателей замкнуты с одинаковыми контактами, например, со вторыми. Если нажать на клавишу любого устройства, общая линия перекинется на третью клемму и электрическая цепь разомкнётся.
При нажатии клавиши другого переключателя его общий провод также переключится на третий контакт, и электрический ток снова пойдёт по цепи. Самая популярная марка переключателя — Legrand.
Стоимость одного изделия составляет около 180 рублей. Работа проходных устройств из 2х мест наглядно показана на этой схеме:
Как видим из схемы, все соединения делаются в распределительной коробке. Нулевой провод подаётся прямо на лампу. Фаза приходит на общую клемму устройства 1. Дальше с общей клеммы переключателя 2 провод подаётся на вторую клемму светильника. Для монтажа используют провод 3×1,5. Один метр кабеля стоит 25 рублей.
Проходные переключатели из трёх мест
Управление светом из трёх мест осуществляется двумя обычными проходными выключателями, а также спаренным переключателем, в котором предусмотрены четыре вывода.
Его ещё называют перекрёстным. В основном используется марка Viko. Один переключатель стоит 250 р. Для подключения используется следующая схема:
На рисунке видно, что в спаренном выключателе переключается сразу два контакта. Если линия замыкалась через все три выключателя, и свет горел, то нажав на клавишу, мы разрываем цепь и гасим освещение.
Количество мест управления светом не ограничивается лишь тремя точками. Их может быть значительно больше. Линия освещения будет работать аналогично той, в которой имеется три выключателя.
Чаще всего для электромонтажа используется провод ПВС 4×1,5. Стоимость одного метра кабеля составляет 30 р. За установку и подключение одного проходного выключателя мастер берёт 250 рублей.
Технические характеристики
Купить перекрестный выключатель можно в любом электрическом магазине, цена зависит от модели и фирмы-производителя. Рассмотрим характеристики нескольких известных переключателей.
ABB Basic 55 белый:
| Номинальное напряжение сети, В | 220-250 |
| Максимально допустимый ток, А | 10 |
| Частота, Гц | 50 |
| Контакты | Посеребренные, устойчивы к воздействию влаги и пара |
| Корпус | Из термопласта |
| Цена | От 10 у. е. |
Перекрестный Schneider Electric SDN:
| Напряжение, В | 250 |
| Ток, А | 10 |
| Номинальная мощность, Вт | 2300 |
| Защита | IP20 |
| Стоимость, у. е. | От 3 |
Legrand Valena (его аналог Anam):
| Тип | Одноклавишный |
| Максимальное напряжение в сети переменного тока, в | 230 |
| Ток, А | 10 |
| Материал | Поликарбонат |
| Частота, Гц | 50–60 |
| Стоимость, у. е. | От 4 |
Viko Carmen (по характеристикам и цене у Вико есть китайский аналог – Макел):
| Допустимое напряжение, В | 220–250 |
| Ток, А | 10 |
| Материал | Пластик |
| Конструкция | Встроенный двухклавишный |
| Цена | От 1 у. е. |
Lezard Nata:
| Напряжение сети, В | 220 |
| Ток, А | 10 |
| Тип | Накладной одноклавишный |
| Частота, Гц | 50 |
| Материал | Пластик |
| Цена, у. е. | От 3 |
Функции перекрестного переключателя
Для создания множества точек контроля возможностей проходных переключателей недостаточно. Понадобится включить в схему подключения перекрестный выключатель. Переключатель включают в разрыв двухжильного проводника — между проходными устройствами.
Схема подключения двух проходных переключателей и одного перекрестного изображена на рисунке ниже.

Все контакты находятся в замкнутом состоянии. Ток течет по проводникам (указаны красным цветом). При нажатии на кнопку любого из трех выключателей происходит размыкание цепочки. Нажатие на клавишу другого устройства приводит к замыканию цепи и протеканию электричества по голубым проводам.
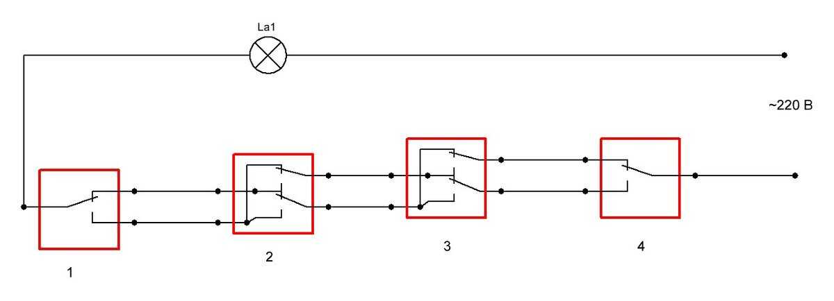
Для четырех точек управления используется схема, показанная на рисунке ниже. В схеме задействованы два проходных и два перекрестных переключателя.

Для управления светом подходят не только клавиши, но и датчики движения или хлопков. Однако подобные устройства при всем их удобстве не лишены недостатков:
- высокие цены;
- не слишком высокая надежность;
- ложные срабатывания.
Сфера применения
Оба устройства взаимозаменяемы, но удобство использования зависит от конкретных случаев.
Из-за разницы между выключателем и переключателем света, последние лучше устанавливать в проходных комнатах, длинных коридорах или на лестницах в частных домах. Одна точка разрыва монтируется на входе, а другая на выходе.

В этом случае не нужно будет возвращаться в другой конец холла или лестничного марша, чтобы выключить за собой свет — это можно будет сделать из любой точки.
Подобная разводка используется при прокладке кабелей на больших площадях с несколькими входами. Например, в промышленных цехах, в разветвленных коридорах, либо при организации освещения на приусадебных участках с несколькими въездами.
На фото ниже изображена схема управления одним осветительным прибором из трех различных точек.

Чтобы система работала корректно, в крайних точках устанавливаются проходные переключатели, а в центре — перекрестный.

Аналогично подключается разводка, для управления светом из четырех мест.

В отдельных комнатах (с одним входом) удобнее использовать обычные выключатели. Ведь свет обычно зажигают, входя в помещение, и отключают, покидая его.
Гипотетически — если площадь комнаты очень большая — схему разводки можно усложнить, включив в нее проходные или даже перекрестные модели отключателей. Но такой подход грозит лишними финансовыми затратами (на покупку и прокладку дополнительных проводов и штробление стен под них).

Подключение устройств
Существует несколько схем подключения этих подобных устройств, разные типы выключателей и разводок. Мы разберем самые популярные из них.
Управление из двух мест
Классическая схема подключения проходного выключателя на 2 точки подразумевает использование специализированных переключателей для проходных сетей с одной кнопкой. Они имеют один входной контакт и два выходных. Схема подключения следующая: от коробки на лампу подается ноль. Фаза уходит из коробки на единственный вход выключателя А. К выходным контактам подключается дополнительный кабель, который уходит на выходные контакты переключателя Б. Из Б через единственный “входной” контакт фаза уходит на лампу.
Принцип работы и устройство проходного выключателя очень простое. В первом переключателе всегда замкнут какой-то контакт. Вторым вы либо размыкаете цепь, либо соединяете ее. Пройдя через коридор, вы размыкаете цепь первым, что приводит к отключению светильника. На обратном пути вы включаете фазу одним и размыкаете ее вторым. Эта схема идеальна, если вам нужно включить один светильник или несколько, расположенных на общем кабеле.
Классическая схема подключения для двух устройств
Управление из двух мест несколькими лампами
Эта схема немного сложнее и требует большего количества работ. Подходит для крупных помещений, в которых работают несколько линий освещения. Данная схема подключения проходного выключателя потребует наличия двойных устройств (у них два входных и 4 выходных контакта). Разберем классический принцип подключения на основе двух линий освещения или люстры с двумя режимами работы.
Для создания подобной сети нужно последовательно соединить выходы первого переключателя с выходами второго. Они должны отключать фазу, чтобы при монтаже вас не ударило током. Ноль из коробки уходит на две линии освещения. Фаза из коробки уходит на вход переключателя А. Далее они коммутируются с Б посредством соединений кабелем (выходы соединяются, как было описано выше). Затем фаза уходит из Б на линии.
Принцип работы системы тот же, что и при однокнопочном соединении, просто используется две линии. Мысленно представьте, что у вас два отдельных выключателя и все станет понятно.
Управление из трех мест
Это уже довольно сложная система, которая потребует от монтажника мозговых усилий и навыков. Итак, как подключить проходной выключатель (схема подключения) для троих источников? Рассмотрим наиболее простой вариант, хотя имеются и более сложные. Для создания понадобится два проходных устройства с одной кнопкой (1 вход, 2 выхода) и одно перекрестное (два входа, два выхода).
Схема подключения различных вариаций
Ноль, как обычно, подается на светильники из коробки. Фаза из нее же уходит на вход в А и уходит через два выхода на два входа перекрестного переключателя. Затем она уходит через два контакта на два выходных в Б и через вход А подается на лампы. В принципе ничего сложного в этом нет, но главное — правильно проложить провода. Обычно подключение делается через коробку, а не по стенам, чтобы во время последующего ремонта не повредить кабеля (из короба делается отдельный выход на А, Б, С, они не соединяются друг с другом по горизонтальному кабелю). Хоть такое подключение и допускается, но его нежелательно использовать.
Используя двойной перекрестный переключаель и двойные проходные можно усложнить процесс, управляя двумя группами светильников из трех мест, но подобные схемы встречаются нечасто. Эти системы можно усложнять до бесконечности, добавляя новые двухклавишные или одноклавишные проходные выключатели.
Еще один совет – старайтесь делать отдельные линии освещения на каждую комнату или две комнаты. Это поможет вам избежать обесточивания всей системы при ремонте или замене элементов. К примеру, вам нужно поменять розетку в спальне. Вы обесточиваете ее на щитке, при этом в зале и на кухне у вас есть освещение.
Как сделать проходной выключатель своими руками урок труда
Вы уже, наверное, заглянули в электронные каталоги и заметили, что тройной проходной выключатель может стоить круглую сумму денег. Что делать? – Извечный русский вопрос, переиначенный Шекспиром, как to be or not to be. Мы бы выбрали первое: однозначно платить такие деньги за проходные выключатели способен не каждый. Представляем вниманию наших читателей первый в рунете хендмейд, где будет реально и на снимках показано, как переделать обычный выключатель стоимостью в пределах сотни (это реально дешёвая модель) в дорогущую вещь – проходной выключатель. Причём без особых навыков и специальных приёмов.
Глядим на первый снимок и видим выключатель, с которого сняты кнопки
Точнее он ещё и вынут из подрозетника (если так можно выразиться), но это сейчас не суть важно. Как видно из снимка, у нас тут типичная схема подключения на 2 клавиши. На всякий случай цветными линиями показаны и подписаны винты распорок подрозетника и зажимных контактов подходящих проводов
На всякий случай цветными линиями показаны и подписаны винты распорок подрозетника и зажимных контактов подходящих проводов
Их нужно все до одного значительно ослабить для демонтажа выключателя из стенного гнезда. Не забудьте перед этим выключить энергию, а также мы настоятельно рекомендуем проверить щупом, где находится фаза, и как-то эти места прорисовать прямо по кембрику (пластиковая изоляция жилы). В дальнейшем все это донельзя упростит процесс обратной установки выключателя
На всякий случай цветными линиями показаны и подписаны винты распорок подрозетника и зажимных контактов подходящих проводов. Их нужно все до одного значительно ослабить для демонтажа выключателя из стенного гнезда. Не забудьте перед этим выключить энергию, а также мы настоятельно рекомендуем проверить щупом, где находится фаза, и как-то эти места прорисовать прямо по кембрику (пластиковая изоляция жилы). В дальнейшем все это донельзя упростит процесс обратной установки выключателя.
Винты распорок подрозетника
Теперь смотрим на следующий снимок, где показана обратная сторона нашей будущей жертвы. В хорошем смысле этого слова, понятно дело. Здесь мы видим зажимы корпуса выключателя, которые нужно разогнуть, чтобы извлечь электрическую часть. Все это делается обычной отвёрткой в течение нескольких минут. Затем нужно достать из пластиковой станины пружинные толкатели. Проще всего это сделать толстой шлицевой отвёрткой. Тонкая просто не подойдёт. Вы это быстро поймёте. Не нужно спешить, потому что это место самое сложное во всем процессе переделки обычного выключателя в проходной. На снимке пружинные толкатели уже сняты, и на месте, где они были, видны подвижные контакты.
Подвижные контакты под пружинными толкателями
Мы пропустили момент извлечения пластиковой части из керамической (на снимках), потому что это по нашему представлению не требует пояснений. По торцам всей снятой части выключателя есть два слабеньких зубца. Просто подденьте их шлицевой отвёрткой, и приступим переделке обычного выключателя в проходной. Теперь на керамической основе выключателя мы видим группы контактов:
Три группы контактов
- Контактные площадки общей группы.
- Индивидуальные контакты каждой лампочки.
- Подвижные контакты-коромысла.
Теперь нам осталось одно коромысло развернуть на 180 градусов, а одну из контактный площадок общей группы срезать (изолировать лучше не стоит). Результирующее положение показано на последнем снимке. Теперь завершающий этап – как все это работает. Берём и обе кнопки склеиваем китайским пистолетом, чтобы они стали единым целым. Теперь, когда один из контактов у нас замкнут, второй будет висеть в воздухе.
Все гениальное просто. Поэтому вдобавок к тому, что мы показали, как сделать проходной выключатель из обычного, добавим, что пружинные толкатели в принципе снимать не обязательно. Можно обойтись и без этого. А две кнопки не придётся склеивать, если снять клавишу с обычного выключателя той же ширины и того же производителя. Обычно распиновка ножек там в точности та же самая. Все это позволит не только сделать проходной выключатель своими руками, но и произвести на свет действительно работоспособное и красивое изделие.
Итак, мы считаем, что с избытком рассмотрели заданные вопросы. Показали, как правильно подключить проходной выключатель, как не нужно этого делать и – что самое главное – рассказали, как на всем процессе можно сэкономить неплохие деньги. Надеемся, что рекомендации придутся по душе, и теперь каждый рукастый хозяин сможет похвастаться наличием в своём доме такой оригинальной конструкции. Ну, а как ещё назовёшь проходной выключатель?
Перекрестный
Этот тип устройств немного сложнее предыдущего. Он не просто переключает напряжение с одной линии на другую, а меняет эти линии местами.
Как видно из схемы, у этого устройства два входа и два выхода. Щелкнули клавишей, линии поменялись местами. Где можно использовать такой хитрый переключатель? Предположим, вы живете в двухэтажном доме на втором этаже. Организовали в подъезде управление светом из двух мест – на входе и у своей входной двери. Но как быть соседям снизу? Пробираться в потемках? Там недалеко, конечно, пол пролета, но на ощупь все равно как-то несерьезно. Да в замочную скважину ключом не попадешь. Тут-то и выручит перекрестный переключатель. Ставим его между двумя проходными и дело сделано.

Теперь включить и выключить свет можно как на входе, так и на любом из этажей. У вас трехэтажка? Тоже не проблема. Добавим в схему еще один «перекрестник».

Пятиэтажка? Добавим еще перекрестников в линию так же, как мы добавили второй. Сколько нужно, столько и добавим – хоть сотню.
Как выглядит и работатет проходной выключатель
Если говорить о лицевой стороне, то отличие единственное: едва заметная стрелочка на клавише вверх и вниз.
Как выглядит проходной одноклавишный выключатель
Если говорить об электрической схеме, все тоже просто: в обычных выключателях только два контакта, в проходных (еще называют перекидными) три контакта, два из которых — общие. В схеме приличествуют всегда два или больше таких устройства, вот при помощи этих общих проводов они и коммутируются.
Разница — в количестве контактов
Принцип работы прост. Изменением положения клавиши вход подключается к одному из выходов. То есть у этих устройств только два рабочих положения:
- вход соединен с выходом 1;
- вход соединен с выходом 2.
Никаких других промежуточных положений нет. Благодаря этому все и работает. Так как контакт переключается из одного положения в другое, электрики считают, что правильнее их называть «переключатели». Так что проходной переключатель — это тоже это устройство.
Чтобы не полагаться на наличие или отсутствие стрелочек на клавишах, нужно осмотреть контактную часть. На фирменных изделиях должна быть нанесена схема, позволяющая понять, какого типа оборудование у вас в руках. Она точно есть на изделиях фирм Lezard (Лезард), Legrand (Легранд), Viko (Вико). На китайских экземплярах они часто отсутствуют.
Так выглядит перекидной выключатель с тыла
Если такой схемы нет, смотрите на клеммы (медные контакты в отверстиях): их должно быть три. Но далеко не всегда на недорогих экземплярах та клемма, что стоит одна — это вход. Часто они перепутаны. Чтобы найти где же находится общий контакт, необходимо прозвонить контакты между собой при разных положениях клавиши. Сделать это обязательно, иначе ничего работать не будет, а само устройство может сгореть.
Вам нужен будет тестер или мультиметр. Если есть мультиметр, переводите его в режим звука — он пищит при наличии контакта. Если в наличии стрелочный тестер, прозваниваете на короткое замыкание. Ставите щуп на один из контактов, находите с каким из двух он звонится (прибор пищит или стрелка показывает КЗ — отклоняется вправо до упора). Не меняя положение щупов, изменяете положение клавиши. Если КЗ пропало, один из этих двух — общий. Теперь осталось проверить который. Не переключая клавишу передвигаете один из щупов на другой контакт. Если есть КЗ, то тот контакт, с которого щуп не двигали и есть общий (это вход).
Может станет понятнее, если посмотрите видео о том, как найти вход (общий контакт) для проходного выключателя.
Схема управления с четырех мест
Данная схема управления особенностей больших не имеет, разве что перекрестные переключатели должны быть промежуточными и устанавливаться последовательно друг другу, между проходными элементами включения освещения.
Схема подключения двух перекрестных выключателей:

Нужно отметить, все вышеизложенные схемы одинаково работают с любыми типами ламп, а заземляющий провод является элементом защиты человека при пробое изоляции. Соединение проводов в распределительных коробках нужно выполнять по соответствующим правилам, главное в этом — его надёжность и долговечность без окисления и ухудшения контакта.
Известные производители проходных переключателей
Компания Легранд занимает лидирующую позицию на рынке электротоваров. Востребованность проходных выключателей Legrand обусловлена высоким качеством исполнения изделий, простотой монтажа, удобствами в дальнейшей эксплуатации, стильным дизайном и гибкой ценовой политикой. Единственным недостатком является необходимость в подгонке установочного места. Если оно не будет совпадать с изделием, могут возникнуть трудности при его монтаже, который выполняется согласно схеме подключения проходного выключателя Легранд.

Проходные переключатели фирмы Legrand
Дочерним предприятием Легранд является китайская компания Lezard. Однако от родного бренда у изделий остался лишь стильный дизайн. Качество сборки намного ниже, что обусловлено низкой стоимостью продукции.
Одним из ведущих отечественных производителей электротоваров считается компания Wessen, которая является частью фирмы Schneider Electric. Все изделия изготавливаются по новейшим технологиям на современном зарубежном оборудовании и соответствуют европейским стандартам качества. Модели обладают универсальным стильным дизайном, позволяющим вписать каждый элемент в любой интерьер помещения. Отличительной чертой выключателей Wessen является возможность замены декоративной рамки без демонтажа устройства.
Еще одним не менее известным производителем является турецкая компания Viko. Изделия характеризуются высоким качеством исполнения, надежностью и долговечностью, соответствуют требованиям электробезопасности и европейским стандартам качества. При изготовлении корпуса устройства применяется пожаробезопасный прочный пластик, который рассчитан на большое количество циклов работы.

У проходного выключателя, в отличие от обычного, три проводимых провода
Турецкий бренд Makel предлагает качественную, надежную, безопасную и стильную продукцию. Благодаря возможности подключения шлейфа без надобности задействования распределительной коробки, монтаж выключателей становится более простым, а дальнейшая эксплуатация – комфортной и безопасной.
Популярный модельный ряд проходных переключателей
Проходные выключатели Легранд из серии Velena отличаются стильным дизайном и многообразием цветовых вариаций. Здесь представлены одно и двухклавишные изделия, которые имеют пыле- и влагозащитный слой. Купить выключатель можно от 300 р.
В серию Celiane вошли изделия, у которых круговые клавиши вписаны в квадрат. Они могут быть бесконтактными с рычажками или бесшумными. Стоимость переключателей начинается от 700 р. Модельный ряд Exclusive Celiane представлен ограниченным количеством выключателей, выполненных вручную из мрамора, бамбука, фарфора, золота, мирта и других материалов. Рамки выполняются исключительно на заказ. Цена за изделие начинается от 5,9 тыс. р.

Цветовые решения для переключателей из серии Celiane
Самыми популярными сериями выключателей от компании Lezard являются Demet, Mira и Deriy. Здесь представлены изделия, выполненные из негорючего поликарбоната, что соответствует требованиям электробезопасности. Токопроводящие элементы изготовлены из фосфорной бронзы, что характеризуется высокой проводимостью и низким подогревом. Купить проходной одноклавишный выключатель можно от 125 р.
В серии W 59 Frame от Wessen используется модульный принцип, позволяющий установить от 1 до 4 устройств в одну рамку горизонтально или вертикально. Цена изделия составляет 140 р. Отличаются простым дизайном, но высоким качеством исполнения одинарные и двойные проходные выключатели из серии Asfora, купить которые можно за 450 р.
Среди популярных серий компании Makel можно выделить Defne и Makel Mimoza. Корпус устройств выполняется из высококачественного пластика, оснащенный внутренним надежным механизмом. Стоимость изделий начинается от 150 р.

При нажатии кнопки вкл/выкл подвижный контакт проходного выключателя перекидывается из одного контакта на другой, создавая при этом условия для новой цепи в дальнейшем
Принцип работы и установка коммутирующих устройств не представляют существенных сложностей. Необходимо предварительно изучить схему подключения и следовать рекомендациям правил электробезопасности, что даст возможность осуществить надежный и безопасный монтаж устройств, тем самым обеспечит удобное и комфортное управление осветительными приборами в доме.
Как подключить проходной выключатель: видео схемы подключения
Конструктивные особенности
Конструктивно перекрёстный выключатель с одной клавишей представляет собой компактное коммутационное устройство, которое работает от механического воздействия на него. При этом в продаже имеются и такие же сенсорные коммутирующие элементы, у них нет клавиши, а только лишь сенсорная кнопка, но суть работы устройства от этого остаётся прежней. Меняется только механизм воздействия, а контактная группа и принцип действия остаётся прежним. Состоит перекрестный выключатель из:
- выходных контактных клемм для подключения проводов;
- механизма крепежа к стене;
- токопроводящих перемычек, находящихся внутри корпуса;
- группы контактов;
- механизма воздействия на контактную переключающуюся группу.
По способу монтажа данные переключатели делятся, как и все остальные, на предназначенные для открытой (наружной) и скрытой (прокладываемой внутри стен) проводки. То есть конструкция может быть двух типов: накладной и встроенной.
Очень редко в исключительных случаях применяется гибридная проводка, когда вся кабельная линия прокладывается скрытом способом внутри стен, а выключатели устанавливаются наружного, то есть накладного типа. Это частный случай возникает, когда нет возможности сделать ниши для подрезетников или выполнение их проблематично.
Выглядят перекрёстные переключатели внешне как обычные проходные и не имеют чёткого положения включено или же отключено. Отличие их состоит в:
- Наличии четырёх контактных клемм для подключения. В случае, если есть две клавиши управления, то количество клемм умножается на два.
- Маркировки пары — вход и выход.
- Невозможности использоваться отдельно, а только с парой проходных выключателей.
Кстати, данные переключатели могут быть оборудованы не только клавишей, но и поворотным механизмом. В нём замыкание контактов происходит за счёт специального механизма поворотного действия. Принцип работы и количество клемм при этом не меняется. Стоят они немного дороже, так как считаются дизайнерскими элементами декора, который чаще всего использует при монтаже проводки в ретро стиле.
Положительные моменты проходных и перекрёстных устройств:
- Не нуждаются во вспомогательных элементах и месте в электрическом щитке.
- Высокая надёжность, благодаря отсутствию автоматики.
- Простота схемы, обеспечена тем, что в ней не присутствуют какие-либо сложные устройства.
- Лёгкость и практичность в управлении освещением.
Недостатки выключателей этого типа:
- Использование трехжильного провода. Количество проводов и их длина прямо зависят от количества клавиш (в случае с клавишным ПВ) и числа самих устанавливаемых выключателей в помещении. Большое количество длинных проводов усложняет схему и затрудняет установку.
- Нет фиксированного положения кнопок. Некоторым людям к этой особенности нужно привыкнуть, поэтому определённое время им неудобно пользоваться ПВ.
При помощи проходных и перекрёстных выключателей чаще всего организовывают управление осветительными устройствами в длинных коридорах, спальнях, на лестничных пролётах, садовых дорожках и т.п.


























