Подбор фотореле для освещения на улице
Прежде чем идти в магазин приобретать фотодатчик для регулировки системы уличного освещения, следует определиться с количеством и типом подключаемых светильников. Для одного-двух фонарей хватит реле, осветительные электроприборы к которому будут подсоединяться напрямую.
Если лампочек много, то фотореле не сможет выдержать проходящий через него ток. В этом случае требуется оборудование с магнитным пускателем.
Здесь светочувствительный переключатель запускает специальное устройство, посредством которого уже производится запитка аппаратуры освещения. Т.е. очень многое в выборе модели фотодатчика зависит от мощности подключаемой к нему схемы из светильников.
Особого подхода и обязательного выполнения предварительных расчетов требует подбор фотореле для системы уличного освещения на солнечных батареях. Его мощность и число подключаемых приборов напрямую зависит от среднегодового числа солнечных дней в регионе, а также от количества гелиопанелей в схеме.
Чем больше к фотореле планируется подключить лампочек, тем выше у него обязаны быть параметры коммутируемого тока – на рынке сейчас представлены приборы с номиналом по току в диапазоне 6–63 Ампер, выбирать есть из чего
По типу подключения к электросети светоконтролирующие реле для уличного освещения делятся на:
- однофазные (бытовые, под сеть 220 В);
- трехфазные (для сетей 380 В).
Однако само коммутирующее реле и вся схема с фотодатчиком запитываются напряжением 12 В, которое поступает с понижающего трансформатора. Выбор в пользу однофазного либо трехфазного прибора зависит исключительно от подключаемой к нему сети из лампочек и потребляемой ею мощности.
Для установки фотореле контроля для уличного освещения на частных домах лучше всего выбирать обычные бытовые модели на 220 В. Их с избытком хватит, особенно если к ним будут подключаться экономичные светодиодные светильники.
Технические параметры – на что смотреть
Некоторые импортные электроприборы рассчитаны на сети в 110 либо 127 В. Редко, но на них можно наткнуться в магазинах светотехники. Просто так в российских сетях на 220 В они работать не смогут. Для них потребуется устанавливать дополнительный трансформатор. Лучше сразу брать то оборудование, с подключением которого будет меньше проблем.
Первый и главный показатель – степень защиты. Для установки под открытым небом следует выбирать модели с герметичным корпусом под IP65 и выше. А для монтажа под крышей или в защищенном щитке вполне подойдет устройство с IP44.
Второй параметр – порог срабатывания, который выражается в Люксах. Обычно это диапазон от 2 до 50 Лк. Фотореле имеет регулировку данного показателя, чтобы пользователь мог настроить его свои под личные предпочтения. Приобретать прибор с нерегулируемым порогом срабатывания стоит только в крайнем случае.
Третий показатель – тип подключаемых ламп. Нередко фотореле предназначено исключительно для работы с лампочками накаливания, создающими активную нагрузку.
Для подключения люминесцентных приборов с уже реактивной нагрузкой требуется брать другой вид сумеречных выключателей. А для подсоединения ртутных либо натриевых светильников нужна аппаратура с дополнительным защитным контуром, рассчитанным на броски пускового тока.
При выборе реле с выносным фотоэлементом необходимо учесть длину кабеля между ними – он имеет определенные ограничения, менять его на больший по метражу нельзя
И последние параметры – габариты и вес. Самая большая по размерам часть фотореле – это блок питания с понижающим трансформатором внутри. Сам фотодатчик (светодиод) имеет совсем небольшие габариты.
Гораздо больше места занимает контактор или магнитный пускатель, через которые подключаются осветительные приборы. Все это должно уместиться в электрощите или возле светильника.
Важны ли дополнительные функции
Многие модели светоконтролирующих реле дополняются датчиком движения и таймером. Первый гарантирует включение освещения только при перемещении по контролируемой территории человека, а второй позволяет полностью отключать прибор днем независимо от уровня естественной освещенности.
Фактически все фотодатчики еще на заводе настраиваются так, чтобы при кратковременном освещении фарами проезжающего автомобиля попросту не срабатывать
Наиболее дорогие модели – это фотореле с электронным табло и программируемым контроллером. Эти приборы позволяют для каждого сезона и случая заложить свою программу работы.
Например, в зимний период освещение будет включаться раньше, а летом позже. Можно также предусмотреть выключение самого реле вместе с уличными светильниками после часа ночи, чтобы они не жгли энергию попусту.
Размещение фотореле
Если неправильно определить место установки фотоэлемента, то даже корректные настройки и подключение прибора окажутся бесполезной тратой времени, поэтому стоит учитывать следующее:
- читайте инструкцию перед монтажом, производители всегда оставляют в ней рекомендации или схемы подключения;
- расположите фотодатчик так, чтобы на него не попадал искусственный свет, тень также исказит показатели и заставит устройство некорректно работать;
- фиксировать гаджет в перевернутом виде тоже нельзя, это скажется на чувствительности, а также сроке эксплуатации;
- устанавливать фотореле возле горючих поверхностей или химически активных веществ тоже нельзя;
- при выборе места и способа монтажа учитывайте, насколько чувствителен прибор к грязи, пыли, влаги.
Выносные устройства располагают в таком месте, чтобы дневной свет оказался в прямой досягаемости. При этом следят за тем, чтобы включенный свет располагался как можно дальше от светильников. Фотореле обычно ставят в 2–3 метрах от приборов.
Если прибор требуется для высокого фонаря, то его фиксируют позади плафона. Так исключается риск случайного затемнения или попадания искусственного света.
Установленное по описанным правила реле не только сэкономит время, но и уменьшит расход электричества. Ориентируясь на заранее определенные параметры, человек сможет купить устройство, которое полностью удовлетворит его потребности.
Стоимость и лучшие производители
Стоимость фотореле зависит от производителя, марки, конструкции, степени защиты, срока гарантии, комплектации. На стоимость влияет качество корпуса, его герметичность и устойчивость к повреждениям.
Цена моделей может отличаться от пунктов продажи, но в среднем составляет:
Производства Китай
, стоимость 269 рублей;
Производства НТК Композит г. Санкт-Петербург с выносным датчиком на проводе
длиной 970 м и разницей температур от -40 до +40 градусов по Цельсию, стоимость 509 рублей.
Производства Реле и автоматика г. Москва
, стоимость 3 386 рублей.
Ф1260700 LUNA
От компании Theben Германия с встроенным датчиком
, с температурой наружного воздуха от -35 до 55 градусов по Цельсию стоимость 4 580 рублей;
TWA-1 астроном
От испанского производителя АВВ с креплением на
, с аккумулятором, рассчитанным на 5 лет и двумя модулями. Стоимость 8 461 рубль.
Производства АВВ, со встроенным датчиком, большим диапазоном освещения -30-500 люкс, стоимость 11 250 рублей.
При покупке нужно выбрать фотореле с учетом технических характеристик, надежности и особенности конструкции. Для одной лампочки, мощностью 100 Вт, подойдет любая модель.
При подключении нескольких светильников нужно рассчитать ток нагрузки. Для этого нужно разделить мощность всех ламп на 220 Вт. Полученную цифру нужно сопоставить с током нагрузки прибора.
Приборы с выносным датчиком более надежны, так как электроника работает в более комфортных условиях. Но модели со встроенными датчиками устанавливать намного легче. Намного проще устанавливаются приборы, подключаемые при помощи .
Наиболее популярные отечественные и зарубежные производители светочувствительного реле:
- Испанские компании: Legrand, ORBIS, ABB.
- Чешская компания ELKO EP.
- Немецкий производитель Theben.
- Белорусские предприятия Ноотехника, Евроавтоматика ФиФ.
- Отечественные производители: Реле и автоматика, Астро-УЗО (Москва), Меандр, НТК Композит (С-Петербург), АВАР (Псков).
Покупать желательно напрямую от фирм-производителей, необходимо также обращать внимание на гарантийный срок эксплуатации
Где поставить фотореле и как его подключить?
Датчики движения. Успейте купить со скидкой! Правильно выбранное место для устройства обеспечит его корректное функционирование. Необходимо учитывать следующее:
- на фотореле должны падать солнечные лучи, т.е. его нужно расположить под открытым небом;
- не стоит размещать источники искусственного света рядом с датчиком;
- размещайте его на такой высоте, чтобы свет фар от проезжающих машин не падал на фотоэлемент;
- высота должна быть удобной для обслуживания (мыть и убирать снег).
Подводя итоги можно сказать, что выбор места — это не самое простое. Порой нужно сменить его несколько раз, чтобы подобрать оптимальный вариант. Иногда к реле подключают светодиодные прожекторы или уличный фонарь и вешают устройство на столб. Но это нерациональное решение, т.к. коробку нужно периодически протирать от пыли, каждый раз залезать на столб для этого неудобно.
Подключить датчик света достаточно просто. Из устройства выходит 3 провода: фаза и ноль для питания реле, коммутирующая фаза для подключения светильника. Соединение проводов происходит в распределительной коробке, которая должна быть герметичной, специально для улицы. Если планируется подключать только один светильник, распределительную коробку можно установить рядом с реле. Подключение мощной подсветки лучше делать через пускатель.

Схема подключения фотореле к уличному прожектору
Для включения света только в период нахождения человека используется датчик движения. В этом случае датчик подключают после фотореле. Он будет работать только в вечернее время. В датчике движения также можно регулировать задержку включения, чтобы он не срабатывал от движения ветки или пролетаемой мимо птицы.
Фотореле от любого производителя имеет 3 провода для подключения — 1 всегда красного цвета, 2 других могут иметь разную окраску у разных производителей (обычно это синий/темно-зеленый и черный/коричневый). Красный идет на светильники или соединяется с датчиком движения. Синий или темно-зеленый подключаете на нулевой провод питающего кабеля и светильника, а к черному или коричневому подключается фаза. Если реле имеет нестандартные цвета проводов, следует прочитать в инструкции, какой провод куда нужно подсоединять.
Светочувствительность настраивается посредством вращения небольшого пластикового диска на нижней части реле. Рядом с ним всегда находятся указатели, чтобы обозначить, в какую сторону его вращать для увеличения или уменьшения чувствительности фотоэлемента.
Несмотря на то что датчики предназначены для автоматического включения и отключения, на них имеется специальный тумблер или кнопка, позволяющие осуществлять ручное управление прибором.

Фотореле с выносным датчиком света
Астротаймер
Астрономический таймер (астротаймер) — это другой способ автоматизировать уличное освещение. Принцип его работы отличается от фотореле, но он тоже включает свет вечером и выключает его утром. Управление светом на улице происходит по времени. В данном устройстве заложены данные про то, в какое время темнеет/светает в каждом регионе в каждый сезон/день. При настройке астротаймера вводятся GPS координаты его установки, выставляется дата и текущее время. Согласно заложенной программе устройство и работает.
Чем оно удобнее?
- Оно не зависит от погоды. В случае с установкой фотореле велика вероятность ложного срабатывания — в пасмурную погоду свет может включаться ранним вечером. При попадании на фотореле света он может гасить свет посреди ночи.
- Устанавливать астротаймер можно в доме, в щитке, в любом месте. Ему не нужен свет.
- Есть возможность сдвигать время включения/выключения на 120-240 минут (зависит от модели) относительно заданного времени. То есть, вы сами сможете выставить время так, как вам удобно.
Будет интересно Герконовое реле: устройство и принцип работы
Недостаток — высокая цена. Во всяком случае, модели, которые есть в торговой сети, стоят довольно солидных денег. Но можно купить в Китае намного дешевле, правда, как он будет работать — вопрос.

Датчики движения и освещенности.
Подключение фотореле к светодиодному прожектору
Самой доступной и понятной для пользователей схемой подсоединения является прямой монтаж к сети электроснабжения. На прибор обязательно необходимо подать 220В, то есть фазу и ноль.
Все провода этого устройства, как правило, окрашены в разный цвет.
Это важно. По паспорту, который прилагается к фотореле, нужно определить вход фазы подключения и выход на светильник
В этом плане следует выделить такую закономерность:
- ноль: синий провод;
- входная фаза: коричневый провод;
- выход на прожектор: красный провод.
На проводе, осуществляющем выход на нагрузку, фаза возникает лишь в момент срабатывания прибора. Ее нужно заводить непосредственно в сам прожектор.
Характеристики и особенности подключения отдельных моделей датчиков: фотореле ФР 601 и ФР 602
Современный отечественный рынок представлен широким рядом моделей фотодатчиков, рассчитанных на разные типы и условия освещения, предполагающие различные мощности ламп и наличие дополнительных функций.
Самыми популярными среди стандартных однофазных моделей считаются датчик ФР-601 и его более усовершенствованный аналог фотореле ФР-602. Производителем приборов является компания ІЕК. Оба вида датчиков характеризуются надежностью и простотой подключения. Различия между моделями несущественные, они работают от тока одинакового напряжения и частоты, а потребляемая мощность равна 0,5 Вт. Внешне приборы полностью идентичны.
Единственное различие заключается в максимальном сечении проводников для подключения. Модель ФР-601 рассчитана на 1,5 мм², а ФР-602 – на 2,5 мм². Соответственно, они имеют различный ток номинальной нагрузки. У фотореле ФР-601 он равен 10А, у ФР-602 – 20 А. Оба прибора имеют встроенный фотоэлемент, а регулировка допустима в пределах от 0 до 50 лк с интервалом в 5 лк.
Самыми популярными среди стандартных однофазных моделей считаются датчик ФР-601
Такие устройства можно соорудить даже в домашних условиях. Главное отличие самодельного прибора от заводского фотореле ИЭК будет заключаться в отсутствии соответствующей защиты. Этот уровень у серийных моделей равен IP44, что подразумевает защиту от пыли и влаги. Схема подключения фотореле ФР 601 и ФР-602 стандартная и простая. Служат изделия долго и выдерживают влияние температур широкого диапазона.
Среди аналогов данного устройства значится модель ФР-75А – фотореле, схема которого более сложна для изготовления в домашних условиях. Прибор менее стабилен и долговечен при практическом использовании.
Светочувствительные датчики высокой мощности: фотореле ФР-7 и ФР-7Е
Рассмотренные выше модели идеально подходят для обеспечения работы уличных светильников на территории дачного участка или во дворе частного дома. Для регулировки освещения на улицах городов и на дорогах используют более мощные модели. К таким относят ФР-7 и ФР-7е, которые могут работать в сети переменного тока 220 В с напряжением до 5 ампер. Настройку данных приборов должны осуществлять специалисты, так как требуется подключение диапазона, равного 10 лк.
Среди недостатков фотореле ФР-7Е, как и его предшественника ФР-7, следует отметить высокий уровень потребляемой мощности. Также у устройств отсутствует необходимый уровень защиты IP40, который предохраняет от негативных воздействий влаги. Кроме того, у моделей не защищен подстрочный резистор на наружной панели, контактные зажимы относятся к открытому типу.
Главным недостатком фотореле ФР-7 яввляется высокий уровень потребляемой мощности
Рассматривая отдельные фотодатчики, нужно упомянуть популярную модель фотореле ФРЛ-11 с внешним фоточувствительным элементом. Прибор работает в большом диапазоне освещенности (2-100 лк). Фотодатчик оснащен защитой IP65, что предусматривает его установку на улице, причем на приличном расстоянии от реле. Устройства используют для регулировки освещения крупных объектов: дорог, стоянок, вокзалов, парков и т.д.
Фотореле ФР-16А относится к разряду наиболее мощных моделей со встроенным фотоэлементом. Датчик реагирования на свет можно настроить на работу в определенном уровне освещенности. Для функционирования прибора требуется коммутируемый ток, равный 16 А, а мощность нагрузки прибора составляет 2,5 кВт.
Установка фотореле в уличном освещении исключает вмешательство человека в процесс регулировки работы осветительных электроприборов, что позволяет значительно сэкономить на потреблении электроэнергии. Покупая оборудование, потребитель должен ориентироваться на параметры устройства, подбирая модель для конкретных целей с необходимой степенью нагрузки. Во время подключения требуется четко следовать инструкции и прилагаемой схеме, а в процессе эксплуатации – рекомендациям производителя.
Области рационального применения фотореле
Типовые ситуации, в которых требуется присутствие данного устройства:
- Когда включение и выключение цепи производится при помощи сигнала малой мощности;
- Когда несколько цепей должны управляться одним сигналом.
Эффективность применения фотореле обуславливается также и их универсальностью (помимо стандартной аппаратуры контроля можно использовать компьютеры или ноутбуки). Это позволяет реализовывать также и логические управляющие команды типа «если…то…».
Рассмотрим использование фотореле для уличного освещения. Технология их применения основана на использовании триггерных FEТ-переключателей.
Блок-схема фотореле с FET-переключателем
В приведенной блок-схеме используется серия К МДП-транзисторов. В отличие от твердотельных реле, схема управляет фотодиодами напрямую. Это обеспечивает гораздо более высокие скорости переключения, поскольку время отключения питания при включении светодиода некритично. Из-за отсутствия механических составляющих поддерживается высокая компактность устройства, однако физический изоляционный барьер здесь отсутствует, а потому необходимо использовать только низковольтный управляющий сигнал.
Поскольку фотореле является альтернативой уже существующей панели дистанционного управления освещением, то прежде всего стоит подумать — а так ли уж необходима подобная замена. Если существующая система полностью соответствует электрическим нормам, то перед нагрузкой достаточно просто добавить релейную панель, и полный контроль за осветительной цепью будет обеспечен. В небольшом корпусе может быть размещено до 64 фотореле вместе с источником низкого напряжения, а рядом можно расположить панель выключателя. Чем меньше число цепей, тем более экономичным становится применение релейной панели.
Фотореле можно использовать для управления однополюсными цепями 127/220 В переменного тока и двухполюсными (208…240 В) цепями переменного тока. Релейные панели наиболее экономичны при управлении меньшими нагрузками, но имеют один недостаток — они рассчитаны на ограниченное количество циклов включения/ выключения: от 20000 до 50000 (при нормальных обстоятельствах этого хватит примерно на 5 лет).
Общий вид блочной компоновки фотореле для уличного освещения и монтажная схема приведены на следующих рисунках.
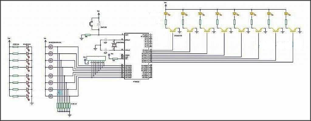
Некоторые нюансы имеются в использовании фотореле совместно с датчиками движения. Как правило, уличные фонари включаются на всю ночь. Но в ночное время уличные фонари не нужны, если нет движения. Поэтому всё чаще используют схемы, которые включают уличные фонари только при перемещения транспортного средства и некоторое время после него. Используется микроконтроллер AVR 8051 и несколько пар (чем больше, тем лучше) инфракрасных (ИК) датчиков.
Подключение релейной панели управления освещением
Предлагаемая система состоит из микроконтроллера Atmega8, LDR, PIR-датчика и RTC. Эта система управляет уличным освещением, используя светозависимый резистор и ИК-датчик.
Уличные фонари включаются в зависимости от интенсивности светового потока, который воспринимается на LDR. Если такая интенсивность на фоторезисторах низкая, значение их сопротивления — высокое. С уменьшением общей освещённости это значение увеличивается, и, таким образом, определяет, когда уличные фонари должны включиться.
Ночью движение транспорта минимально. Это обстоятельство можно использовать для настройки контроллера. По наступлении пикового времени, когда трафика нет, фотореле отключит наружное освещение. При появлении единичного транспортного средства ИК-датчик подаст управляющий сигнал микроконтроллеру. Тот на 2…3 минуты включит освещение, после чего автоматически его выключит.
Блочная компоновка фотореле
Схема включения фотореле для управления наружным освещением
Установка датчиков движения
Монтажная схема управления движением на базе фотореле
Как выбираем
Важным моментом в приобретении фотодатчиков является правильный выбор необходимой модели. Как мы уже выяснили из предыдущего раздела, модели бывают с выносным и встроенным датчиком. При этом каждая разновидность обладает своими техническими характеристиками. Чтобы подобрать необходимую модель, нужно опираться на следующие критерии выбора:
Прибор с высокой степенью защиты
- производитель. Прибор зачастую работает на улице, поэтому он должен быть собран из качественных материалов, которые смогут выдерживать любые погодные условия;
- наличие или отсутствие возможности проводить точную настройку. От данного условия зависит насколько точно можно будет настроить прибор для работы в той или иной местности;
- наличие или отсутствие таймера;
- защищенность корпуса от пыли, влаги и механических повреждений. Чем выше будет этот показатель, тем дольше прослужит изделие.
Конечно же, самым главным критерием для многих людей является стоимость покупаемой продукции, а уж потом ее технические характеристики. Но это не всегда верный подход. Купить дешевое изделие можно всегда, а вот будет ли оно качественно работать, тот еще вопрос. Поэтому в данной ситуации рекомендуется отдавать предпочтение моделям средней и высокой ценовой планки. Это не тот случай, когда можно сэкономить без последствий.
Альтернативные устройства на контроллерах и с пультом дистанционного управления
Сенсорные приборы с контроллером или с дистанционным управлением относятся к более дорогим, функциональным и интеллектуальным типам светорегуляторов.
Для независимого диммирования светильников с нескольких точек можно использовать не механические, а сенсорные светорегуляторы. Такие устройства синхронизируются друг с другом, благодаря электронным компонентам и контроллерам, что позволяет управлять каждым прибором независимо от другого.
Можно установить сенсорный диммер, и подключать к нему кнопки регулировки там, где это требуется. Этот вариант лишен недостатка простых схем с выключателем. Кнопки сенсорного прибора, могут работать как простые выключатели, так и регулировать освещение.
Недостатки таких устройств состоят в их высокой цене, сложности монтажа – устанавливать их должны квалифицированные специалисты, а также в небольшом выборе дизайна.
Дистанционные устройства это отличный вариант для регуляции освещения из любой точки квартиры. Такие приборы можно разделить на два типа:
- Использующие в работе радиопередатчик;
- Использующие инфракрасное излучение.
Предлагаем вашему вниманию видео-инструкцию, как правильно подключить диммер:
Их можно совмещать и с обычными, проводными коммутаторами. Они выполняют все те же задачи, что и другие – управляют включением и выключением светильников и яркостью освещения, дистанционное управление — это просто еще одна полезная функция светорегулятора.
Задача регулирования мощности освещения из нескольких мест вполне разрешима, хотя каждый способ и имеет некоторые недостатки.
Более простым вариантом управления светильником является установка светорегулятора и выключателя. Такая схема более экономична и не требует больших вложений. Более дорогим, но комфортным вариантом решения проблемы является применение интеллектуальных систем на основе контроллеров или с применением дистанционного регулирования.
После того, как вы определились с маркой и типом диммера для регулировки освещения, его необходимо каким-то образом подключить.
Помимо простых моделей, где есть всего две клеммы вход-выход, не стоит забывать и о других нюансах. Поэтому давайте поэтапно рассмотрим от А до Я основные схемы подключения диммера в сеть освещения, с которыми вы можете столкнуться.
С одной стороны, такой регулятор можно включить для управления одним или несколькими светильниками как единичную электроточку
Не важно сенсорный это диммер или поворотно-нажимной
А можно воспользоваться проходным светорегулятором и управлять светом из разных мест вашей квартиры или дома.
Но вообще, прежде чем подключать любой светильник в квартире, не мешало бы выяснить, поддается ли он вообще диммированию. Ведь с этим делом, в особенности у светодиодных ламп бывает много проблем.
Когда речь идет об обычных лампах накаливания или галогенках, тут ломать голову не приходится.
Где поставить
Место для установки выбирается так, чтобы на фотоэлемент не попадал свет от лампы, из окна, рекламного щита. При расположении дома у проезжей части на прибор не должен направляться свет фонарей проезжающих машин. Выбор места ограничивают требования по высоте – 1,8-2 метра от земли (если установить выше, для регулировки потребуется табуретка/стул или лестница/стремянка).
Решение этой проблемы облегчается при использовании некоторых хитростей. Фотодатчик можно оградить отрезком черной пластиковой трубы соответствующего диаметра длиной 15-20 см. Угол подпиливания – 30-45о от столба или стены. Если прожектор один, фотореле размещается с другой стороны столба. Параметры подстраиваются точнее, если датчик размещен на западной или восточной стороне.
Обзор моделей фотореле: цены и производители
Продукция компании «IEK» известна потребителям высоким качеством продукции и длительным гарантийным сроком. Для уличного освещения следует рассмотреть модель фотореле ФР-601. Устройство оснащено встроенным датчиком сумеречного типа (включает светильник в вечернее время, отключает на рассвете).
Фотореле сумеречное ФР-601
Прибор монтируется на стену, работает от бытовой сети с максимальным напряжением до 230 В. Степень защиты – IP-44, частота переменного тока − 50 Гц. Рассчитан на работу токов 6 и 10А. Отпускная цена продукции − 247 рублей.
Также стоит обратить внимание на фотореле ФР-602 со встроенным датчиком. Устройство выдерживает работу токов до 20А, рекомендуемая частота сети − до 60 Гц
Особенностью прибора является возможность регулировки порога освещения в диапазоне 5−50 Лк. Приобрести датчик можно за 352 рубля.
Что такое светодатчик
Это устройство представляет собой специальный датчик, чувствительный к солнечным лучам и управляющий электрическим питанием. При попадании на него световых лучей он превращается в изолятор, а в темное время суток начинает проводить ток. Другими словами, сумеречное реле включает свет ночью и выключает с восходом солнца.
Схема реле освещенности находится в маленьком корпусе, из которого выходят 3 провода для подсоединения электрического питания и автоматического управления светильником. Этот прибор закрепляется снаружи здания, чтобы на него всегда попадали солнечные лучи. В комплекте со световым реле для уличного освещения поставляется универсальное крепление.
Чтобы осуществлять регулировку и настройку порога срабатывания изделия, необходимо установить фотоэлемент, позволяющий добиться качественной работы при неблагоприятных погодных условиях. Такое устройство ставится с внешней стороны корпуса реле для освещения и его можно отрегулировать когда угодно. Вращаясь против часовой стрелки, прибор будет работать лишь в темное время суток, а когда выставляется максимальное значение, то питание начнет подаваться при наступлении сумерек.
Существуют модели этого прибора, в которых датчик освещенности монтируется отдельно от выключателя и подсоединяется длинным проводом. Подобные изделия применяются в сложных схемах, собранных в электрических шкафах, в которые не проникают солнечные лучи.
Дополнительно, можно подключить прибор через электронный таймер, запрограммированный на включение и выключение устройства в работу. Такой способ дает возможность применять его на различных временных промежутках. К примеру, днем при солнечной погоде регулятор может отключаться от сети питания электронным таймером. Только когда настает его рабочее время, то подается электрический ток.






























