Устройство и принцип действия
В общем смысле слова реле – это электротехнический механизм, который замыкает или разрывает электрическую цепь, исходя из определенных электрических или иных параметров, которые на него воздействуют.
Его не коммутационная конструкция была изобретена еще в 1831 году Дж. Генри. А через два года стали применять для обеспечения функционирования телеграфа С. Морзе.
Можно выделить две основные группы: электромеханические и электронные. В первом типе устройства работу осуществляет механизм, а во втором за все отвечает печатная плата с микроконтроллером. Его работу удобно рассмотреть на примере электромеханического реле, которое является импульсным.

При выборе режима работы реле необходимо руководствоваться частотой включений, родом и величиной тока, характером испытываемых нагрузок
Конструктивно его можно представить следующим образом:
- Катушка – это медный провод, намотанный на основание из немагнитного материала. Он может быть в тканевой изоляции или покрывается лаком, не пропускающим электричество.
- Сердечник, содержащий железо и приходящий в действие при прохождении электрического тока через витки катушки.
- Подвижный якорь – это пластина, которая крепится к якорю и оказывает воздействие на замыкающие контакты.
- Контактная система – непосредственно переключатель состояния цепи.
В основе работы реле лежит явление электромагнитной силы. Она появляется в ферромагнитном сердечнике катушки, когда через нее пускается ток. Катушка в этом случае является втягивающим устройством.
Сердечник в ней связан с подвижным якорем, который и приводит в действие силовые контакты, осуществляя коммутацию. Они могут быть нормально открытого/нормально закрытого типа. Иногда блок контактов может содержать одновременно разомкнутые и замкнутые виды соединения.

При включении цепи механизм фиксирует это положение, которое меняется при повторной подаче импульса и снова фиксируется до следующего изменения
К катушке дополнительно может подключаться резистор, увеличивающий точность срабатывания, а также полупроводниковый диод, ограничивающий перенапряжение на обмотке. Кроме этого, в конструкции может присутствовать конденсатор, установленный параллельно контактам, для уменьшения искрения.
Более понятно работу устройства можно представить, разбив его на несколько блоков:
- исполняющий – это контактная группа, которая замыкает/размыкает электрическую цепь;
- промежуточный – катушка, сердечник и подвижный якорь задействуют исполняющий блок;
- управляющий – в этом реле преобразует электрический сигнал в магнитное поле.
Так как для переключения положения контактов необходим однократный электрический импульс, то можно сделать вывод о том, что эти приборы потребляют напряжение только в момент переключения. Это значительно экономит электроэнергию, в отличие от обычных проходных выключателей.
Второй разновидностью импульсного реле является электронный тип. За работу в нем отвечает микроконтроллер. Промежуточным блоком здесь служит катушка или полупроводниковый ключ. Использование в схеме таких элементов, как программируемые логические контроллеры, позволяет дополнить реле, например, таймером.

В устройстве этого вида нет механических подвижных элементов. Работу осуществляет датчик, распознающий сигнал управления и твердотельная электроника, которая коммутирует цепь
Делаем сами
Если в вашем магазине не продают специализированные переключатели, то не нужно расстраиваться – их можно сделать самому. Рассмотрим, как из обычного выключателя сделать проходной выключатель. Для этого вам надо купить один классический однокнопочный переключатель и один двухкнопочный. Выбирайте устройства от одного производителя и имеющие одинаковый размер. Затем в двухклавишном механизме произведите замену клемм местами так, чтобы цепи могли включаться и выключаться независимым способом. Получится, что в одном положении всегда включается первая цепь, во втором – вторая. Затем поменяйте две клавиши на одну, и ваш выключатель готов – его можно устанавливать в любом месте.
Если вам необходимо установить три переключателя, то понадобится более сложные системы на 4 контакта – два на вход и два на выход. Питать подобную схему нужно четырехжильным проводом, подключая контакты попарно.
Теперь вы знаете, как сделать проходной выключатель света. Чтобы все вопросы отпали, посмотрите наши схемы подключения устройств.
Как работает проходной выключатель.
Известные производители проходных электро переключателей
Наиболее распространенными выключателями считаются изделия торговой марки Легранд (Legrand). Переключатели изготавливаются из качественных материалов, обладают стильным лаконичным дизайном, легко монтируются и славятся гибкой ценовой политикой. Модельный ряд насчитывает множество предложений — от дешевых до дорогих вариантов. К числу недостатков пользователи отнесли необходимость подгонки установочного места.
Компания Lezard является дочерним предприятием Legrand, расположенным в Китае. От родителя Лезард унаследовал лишь дизайн, качество исполнения продукции и используемых материалов существенно отличается от оригинала.
Еще одним крупным игроком на рынке считается марка Wessen, которая входит в группу компаний Schneider Electric. Переключатели изготавливаются согласно новейшим разработкам на новом оборудовании и соответствует европейским стандартам качества. Приборы предусматривают замену рамки выключателя без полного демонтажа.
Турецкий производитель устройств для организации электрической сети в помещении Макел уже много лет поставляет на рынок качественные и безопасные переключатели, которые ко всему обладают стильным дизайном. Инженеры разработали возможность подключения устройств без вмешательства в распределительную коробку, что облегчает процесс монтажа и гарантирует безопасность дальнейшей эксплуатации.
Преимущества установки проходного выключателя
Проходные выключатели позволяют управлять освещением помещения из двух или более мест, что является бесспорным удобством. Это особенно ценно для домов в несколько этажей с лестничными пролетами. Здесь можно установить первый переключатель на первом этаже, а следующий на втором, что позволит включить свет внизу и выключить наверху.

Особенно актуально применение проходных выключателей для управления освещением лестничных пролетов
Хорошим решением является установка одного переключателя у входа в спальню, а второго возле изголовья кровати, что позволит зайти, включить свет, приготовиться ко сну, лечь и выключить освещение. Также целесообразно монтировать выключатели при входе в дом или квартиру и в конце коридора.
Проходные выключатели обладают существенными преимуществами по сравнению с обычными устройствами:
- высокая надежность и безопасность эксплуатации;
- мгновенное отключение электроснабжения помещения при необходимости из любой точки;
- оптимальное расходование электроэнергии;
- низкая себестоимость;
- простая установка, не требующая привлечения специалистов;
- отсутствие сложных настроек.

Наличие проходных выключателей позволяет включить светильники внизу одним выключателем, а поднявшись по лестнице выключить другим
Особенности конструкции
Исходя из количества коммутируемых электрических цепей, устройства могут быть одно-, двух- и трехклавишными. Клеммы с винтовыми или пружинными зажимами. Также конструкция зависит от функционального назначения. Виды устройств отличаются при использовании для внешней или внутренней проводки.
Подобное электрооборудование предназначено для включения и выключения из разных мест одного или группы светильников. Нет потребности возвращаться в другой конец помещения, чтобы нажать клавишу. Электроприборы применяют в квартирах большой площади, в коридорах и на лестницах, при освещении садовых дорожек, в спальне. Кроме удобства, это дает экономию электроэнергии.
Проходные выключатели также используются в концертных залах, на стадионах, в подземных переходах и туннелях, в подъездах высотных домов.
Обзор производителей проходных выключателей: популярные модели
Прежде чем купить проходной выключатель, стоит познакомиться с ведущими производителями, которые выпускают наиболее качественные изделия. В таком случае будет намного проще ориентироваться в ассортименте, предлагаемом профильными магазинами. К числу наиболее популярных брендов следует отнести:
- Legrand;
- Schneider Electric;
- ABB;
- Viko;
- Lezard.
Изделия, выпускаемые под перечисленными товарными знаками, отличаются высоким качеством сборки и длительным сроком службы. При сопоставимых технических характеристиках цена проходных выключателей может меняться в широком диапазоне. Предлагаем познакомиться со средними расценками, чтобы можно было намного проще делать выбор в процессе покупки.
Legrand: стоимость наиболее популярных моделей
При выборе проходного выключателя Legrand стоит четко представлять, для каких целей приобретается конкретной изделие, и какая схема подключения должна быть реализована. В каталоге производителя можно найти одно- и многоклавишные модели разного цвета и размера. Предлагаем познакомиться со средними ценами на проходные выключатели Легранд:
| Фото | Модель | Количество клавиш | Средняя стоимость, рублей |
![]() |
Legrand Celiane | 1 | 300 |
![]() |
Legrand 774308 Valena | 2 | 380 |
![]() |
Legrand Kaptika | 1 | 180 |
![]() |
legrand Etika | 2 | 200 |
![]() |
Legrand Quteo | 2 | 120 |
Schneider Electric: стоимость наиболее популярных моделей
Под известным брендом Schneider Electric выпускаются качественные изделия, имеющие стильный современный дизайн. Такие устройства способны гармонично вписаться в любой интерьер. Доступность изделий с различным цветовым оформлением позволит подобрать модель с подходящим дизайном для любого помещения. Ознакомитесь со средними ценами на наиболее популярные модели:
| Фото | Модель | Количество клавиш | Средняя стоимость, рублей |
![]() |
Schneider Electric Unica | 2 | 500 |
![]() |
Schneider Electric Unica | 1 | 610 |
![]() |
Schneider Electric Этюд | 1 | 230 |
![]() |
Schneider Electric Sedna | 1 | 280 |
![]() |
Schneider Electric Sedna | 2 | 500 |
![]() |
Schneider Electric Glossa | 1 | 110 |
ABB: стоимость наиболее популярных моделей
Для изготовления переключателей АВВ используются высококачественные материалы. Такие изделия отличаются высоким качеством сборки и стильным дизайном. Независимо от выбранного стилистического оформления помещения всегда можно подобрать наиболее подходящий вариант для конкретного интерьера. В коллекции производителя можно найти подходящий вариант для классического интерьера и оформленного в стиле хай-тек. Предлагаем познакомиться со средними расценками на наиболее популярные модели:
| Фото | Модель | Количество клавиш | Средняя стоимость, рублей |
![]() |
ABB Basic 55 | 1 | 310 |
![]() |
ABB Zenit | 1 | 200 |
![]() |
ABB STYLO | 1 | 570 |
![]() |
ABB TACTO | 1 | 930 |
![]() |
ABB TACTO | 2 | 1180 |
Viko: стоимость наиболее популярных моделей
Электротехнические изделия, выпускаемые под товарным знаком Viko, представлены в достаточно широком ассортименте. Благодаря этому можно подобрать подходящий вариант для помещения любого назначения и площади. Среди предлагаемых моделей можно найти подходящий вариант по стоимости и дизайну. Средние расценки представлены в таблице:
| Фото | Модель | Количество клавиш | Средняя стоимость, рублей |
![]() |
Viko Carmen | 1 | 190 |
![]() |
Viko Karre | 1 | 180 |
![]() |
Viko Vera | 1 | 290 |
![]() |
Viko Vera | 2 | 220 |
![]() |
Viko Karre | 2 | 180 |
![]() |
Viko Palmiye | 1 | 170 |
Lezard: стоимость наиболее популярных моделей
Производитель предлагает широкий модельный ряд изделий, среди которых всегда можно подобрать переключатель с подходящим стилистическим оформлением и подходящего цвета. Благодаря этому можно приобрести проходной выключатель, который сможет гармонично вписаться в интерьер квартиры, оформленной в определенной цветовой гамме. Стоимость изделия зависит от цветового оформления. Предлагаем сравнить стоимость изделий, имеющих одинаковый дизайн, но различное цветовое оформление:
| Фото | Модель | Количество клавиш | Средняя стоимость, рублей |
![]() |
Lezard Мира белый | 1 | 200 |
![]() |
Lezard Мира ольха | 1 | 330 |
![]() |
Lezard Nata кремовый | 1 | 180 |
![]() |
Lezard Nata белый | 1 | 150 |
![]() |
Lezard Мира ольха | 2 | 270 |
Универсальная схема подключения проводов к однофазному электросчетчику
ПОДКЛЮЧЕНИЕ ЭЛЕКТРИЧЕСКИХ ПЛИТ, ОТОПИТЕЛЕЙ И ВОДОНАГРЕВАТЕЛЕЙ

Схема подключения однофазного электросчетчика На схеме показано подключение электросчетчика через вводной двухполюсной автомат. Они разделяются на замыкающие, размыкающие и переключающие, каждому из которых соответствует свой графический рисунок. Пока остановимся на этой схеме. Основные характеристики переменного тока.
Их разрешается не изолировать. Схема для монтажа клемм в разветвительной коробке схожа на осмотренную раньше, но в ней добавлена очередная клемма — сейчас их стало 5. Выключатели различаются по типу воздействия, они могут быть кнопочными или путевыми, с размыкающими и замыкающими контактами.
Применяются в коммутационных устройствах и контактных соединениях, преимущественно в выключателях, контакторах и реле. Для вторичной обмотки может использоваться окружность при упрощенном способе или две полуокружности при развернутом способе изображения.
Схема подключения двухклавишного выключателя
Как сделать проходной выключатель из обычного: порядок выполнения работ
Не всегда удается быстро найти подходящую модель устройства, позволяющего управлять освещением сразу из двух точек. В таком случае возникает вопрос о том, как сделать проходной выключатель из обычного, чтобы он по своим возможностям и характеристикам не уступал покупному. Сделать это можно в следующей последовательности:
| Фото | Описание работ |
![]() |
Берем обычный двухклавишный выключатель. Желательно, выпущенный под товарными знакам Анам, Легранд, Панасонник, а также других производителей, чьи устройства имеют модульную конструкцию. От использования других изделий стоит отказаться. |
![]() |
Снимаем один из модулей, переворачиваем его, предварительно освободив защелку, и устанавливаем на прежнее место. Учитывая, что элемент находится в перевернутом состоянии, закрепить его на прежнем месте будет невозможно. Для фиксации модуля используем термоклей или жидкие гвозди. |
![]() |
Собираем переключатель. Получаем два выключателя, работающих в противофазе. |
![]() |
Устанавливаем перемычку между контактами с одной стороны, которая будет выступать в роли общего контакта переключателей. Клавиши склеиваем между собой, чтобы они включались и выключались одновременно. |
Если решено приобрести уже готовый, следует помнить, что производители предлагают проходные выключатели различного типа, допускающие управление одним или несколькими источниками света. Чтобы при эксплуатации электрической сети не возникало трудностей, стоит заранее узнать, как установить проходной выключатель, исходя из его конструктивных особенностей. Здесь возможно несколько вариантов, каждый из которых заслуживает особого внимания.
Монтаж проходного выключателя
Схема управления проходными выключателями
Схема подключения незначительно отличается от монтажа привычных выключателей, но наличие трех проводов вместо двух заставляет задуматься. Рассмотрим назначение каждого из них. Два провода используются в качестве перемычек между разнесенными по комнате выключателями, а третий служит для подачи фазы. Перед тем как начать подключать проходной выключатель, купите коммутационную коробку, в которой будет происходить соединение проводов.
Зачистка изоляции
Концы проводов освобождаются от изоляции на 2–3 см – это нужно для скрутки. Если провода будут соединены соединительными колодками, то провод зачищается не более чем на 1 см. В распредкоробке провод, подающий питание от распределительного щита, скручивается с входным контактом первого выключателя. Два оставшихся выходных контакта соединяются с такими же проводами от второго устройства. Входной контакт второго выключателя скручивается с проводом от лампы. Нулевой провод от осветительного прибора соединяется с нулем, пришедшим от щитка. Все места скруток закрываются изоляционной лентой. Сечение проводов для маршевых выключателей подбирается по мощности управляемого освещения.
Что такое проходной коммутатор

Проходной выключатель — это переключатель с несколькими группами контактов, который способен одновременно управлять источником освещения с нескольких мест. На современном рынке электромонтажных материалов, данное устройство представлено следующими типами:
- одноклавишные с одним входом и 2-я выходами;
- двухклавишные с двумя входами и 4-я выходами;
- трехклавишные с тремя входами и 6 выходами;
- перекрестные с двумя входами и двумя выходами для управления освещением с более чем 3-х мест.

Данный тип устройств может быть, как клавишного исполнения, так и сенсорного или дистанционного (управление с пульта дистанционного управления). В большинстве случаев применяются стандартные клавишные переключатели, однако в случае монтажа системы «Умный дом» лучше монтировать дистанционные проходные выключатели, которые управляются с помощью пульта или специального приложения для смартфона.
Делаем сами
Если в вашем магазине не продают специализированные переключатели, то не нужно расстраиваться — их можно сделать самому. Рассмотрим, как из обычного выключателя сделать проходной выключатель. Для этого вам надо купить один классический однокнопочный переключатель и один двухкнопочный. Выбирайте устройства от одного производителя и имеющие одинаковый размер. Затем в двухклавишном механизме произведите замену клемм местами так, чтобы цепи могли включаться и выключаться независимым способом. Получится, что в одном положении всегда включается первая цепь, во втором — вторая. Затем поменяйте две клавиши на одну, и ваш выключатель готов — его можно устанавливать в любом месте.
Если вам необходимо установить три переключателя, то понадобится более сложные системы на 4 контакта — два на вход и два на выход. Питать подобную схему нужно четырехжильным проводом, подключая контакты попарно.
Теперь вы знаете, Чтобы все вопросы отпали, посмотрите наши схемы подключения устройств.
Перекидной выключатель
Варианты схем
Снабжен двумя входами и выходами, имеет четыре клеммы, сразу переключает пару контактов. Используется не так часто, но в некоторых случаях незаменим. Облегчает передвижение в темное время суток:
- в большом коридоре или холле с множеством дверей;
- в квартире с тремя уровнями;
- спальне с выключателем у входа и двумя рядом с кроватью;
- находясь в доме, возможно управлять светильниками в гараже, на террасе, в беседке.
Чтобы обустроить освещение лестницы в трехэтажном здании, необходимо создать три точки контроля. Перекидной переключатель перекрестного типа не используется сам по себе. Подключать его нужно в разрыве между проходными выключателями. Зная порядок подключения проходного, несложно разобраться, как сделать переключатель перекидной.
Их количество может доходить до 10, но они всегда должны быть расположены между проходными.
Что такое проходной выключатель
Внешних различий никаких нет, но они кроются глубже, в обычном по одному входу и выходу, в то время как у проходного 1 вход, и 2 выхода. Данная схема позволяет не разрывать электрическую цепочку, а перенаправлять ее.
Чтобы определить, является ли проходной переключатель одинарным, нужно сделать следующее. В его устройстве должно присутствовать 3 медных контакта, для определения каждой и исключения вероятности перепутать их, нужно использовать мультиметр. Он устанавливается в режим подачи сигнала, при касании должен быть звук, который свидетельствует о наличии контакта.

Немаловажным отличием является используемый тип коммутации. У типовых переключателей используется двухжильная, в то время как у проходных в три жилы.
Такие устройства предназначены работать в местах, расположенных на разных концах помещения, либо коридора. При нажатии на клавишу одного из переключателей происходит замыкание цепи, вследствие чего появляется свет. Затем, при повторном нажатии цепь уже размыкается, лампа гаснет.
Разбор схематики контактных групп устройства
Если взять классическую (одноклавишную) конструкцию прибора, произведённого, к примеру, фирмой ABB, и развернуть к пользователю тыльной стороной, откроется примерно следующая картина.
На плате основания присутствуют 4 пары клемм, каждая из которых отмечена соответствующими символами – в данном случае «стрелками». Техническим обозначением такого рода производитель даёт пользователю информацию о правильном подключении устройства.
Входящими «стрелками» указывается общая (перекидная) контактная группа. Исходящими «стрелками» маркируются постоянная контактная группа.
Как подключить проходной выключатель: видео схемы подключения поможет сделать все работы своими силами
Бывает достаточно сложно, даже при наличии схемы, произвести установку проходного выключателя при отсутствии профильного образования. В таком случае на помощь могут прийти мастер-классы, записанные на видео. В них подробно рассказывается, как подключить проходной выключатель, и в какой последовательности следует выполнять работу.
Прежде чем приступить к просмотру, следует определиться с типом выбранного устройства. Порядок подключения перекрестного выключателя будет иметь ряд существенных отличий, с которыми стоит ознакомиться заранее.
Если речь идет о проходном выключателе, схема подключения на 2 точки является наиболее простым вариантом. Это минимальное количество устройств, которое можно подключить к системе, чтобы пользователь мог включать или выключать один светильник. В противном случае речь будет идти об обычном выключателе.
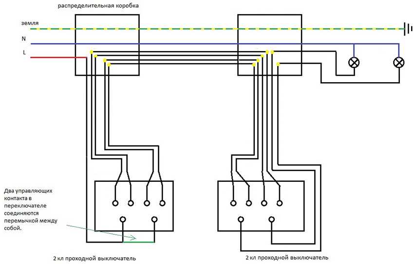
При установке двухклавишного проходного выключателя схема подключения с двух мест может быть реализована для двух нагрузок. Это достаточно удобно, если комната имеет большую длину, и надо предусмотреть установку нескольких светильников для более равномерного освещения окружающего пространства. В этом случае можно будет регулировать интенсивность освещения помещения, решая, сколько светильников будет включено в определенный момент времени.
Схема с двумя проходными выключателями, допускающее управление двумя нагрузками
Более детально разобраться со схемой подключения переключателя с двух мест поможет следующее видео:
Watch this video on YouTube
Здесь наглядно показано, как соединять провода в распределительной коробки, чтобы в процессе эксплуатации не возникало трудностей. Следуя рекомендациям специалиста, можно качественно и с минимальными затратами выполнить необходимый объем работ.
Схема подключения проходного выключателя с 3х мест: подробное видео выполнения работ
Схему подключения проходного выключателя на 3 точки можно назвать условным. В данном случае речь идет о включении в цепь перекрестного переключателя, выступающего в роли дополнительного звена. Как правило, монтажные работы не вызывают особых трудностей. Перекрестное устройство подсоединяется между проходными.
Более подробно со схемой подключения проходных выключателей из 3 мест можно ознакомиться, просмотрев следующее видео:
Watch this video on YouTube
Подробная инструкция позволит разобраться с порядком выполнения работ, а также позволит узнать, какой инструмент понадобиться для монтажа.
Watch this video on YouTube
Схема подключения проходного выключателя с 4х мест: актуальная информация
Если площадь помещения достаточно большая, двух – трех выключателей может оказаться недостаточно. Придется каждый раз преодолевать большое расстояние, чтобы включить или отключить освещение. В таком случае можно будет воспользоваться схемой подключения проходных выключателей на 4 точки. В этом случае в систему дополнительно вводятся два перекрестных устройства.
Схема подключения лампы к четырем выключателям
Схема подключение на четыре точки будет актуальна для многоэтажного строения. В этом случае одной и той же лампой можно будет управлять с каждого этажа и, при желании, с подвала.
Watch this video on YouTube
Выводы
При анализе рассмотренных в данном обзоре всех схем подключения проходных выключателей можно отметить следующее:
- Простейшие из этих систем позволяют получить бесспорные преимущества и не имеют каких-либо заметных недостатков (это касается проходного выключателя с одной клавишей, в частности).
- Более сложные комплексы, включающие в свой состав еще и перекрестные приборы, могут оказаться не настолько эффективными, как кажется.
- Это объясняется тем, что даже с учетом удобства управления, их применение связано с большими издержками и снижением надежности всей системы в целом.
- При монтаже переключательных схем, в которых выключатели располагаются в виде последовательной цепочки, потребуется внимательно отслеживать порядок коммутаций, чтобы не допустить критичеcких ошибок.
- Это также следует отнести к недостаткам сложных комплектов, включающих в свой состав перекрестные выключатели.
В заключительной части обзора отметим, что при обустройстве таких систем приходится сталкиваться с определенными сложностями прокладки линейных проводников. При выборе способа монтажа возможны варианты скрытия их в глубине стен или же использования для этого специальных кабельных каналов. Если хозяин частного дома планирует «упрятать» провода глубоко в стены – ему следует заранее побеспокоиться об этом (желательно – еще на стадии проработки строительного проекта).



























































